Urządzenie hakowe CITY - HKS3 - 3 tony

SKU: HKS3

Urządzenie hakowe HYVA z serii CITY to nowoczesne rozwiązania, dostosowane do wymogów branży komunalnej oraz szeroko pojętej branży recyklingowej. Seria CITY to urządzenia o udźwigu od 3 do 14 ton, przeznaczone na pojazdy od 3,5 do 18 ton DMC. Urządzenia zostały zaprojektowane z myślą o zwiększeniu produktywności, zmniejszeniu ciężaru, poprawie łatwości użytkowania, zwiększeniu bezpieczeństwa oraz ochronie środowiska. Niezawodność, wytrzymałość oraz intuicyjna obsługa sprawiają, że cieszą się uznaniem wśród klientów na całym świecie. W swojej ofercie posiadamy urządzenia o rożnym zakresie udźwigu oraz dostosowane do obsługi rożnych długości kontenerów

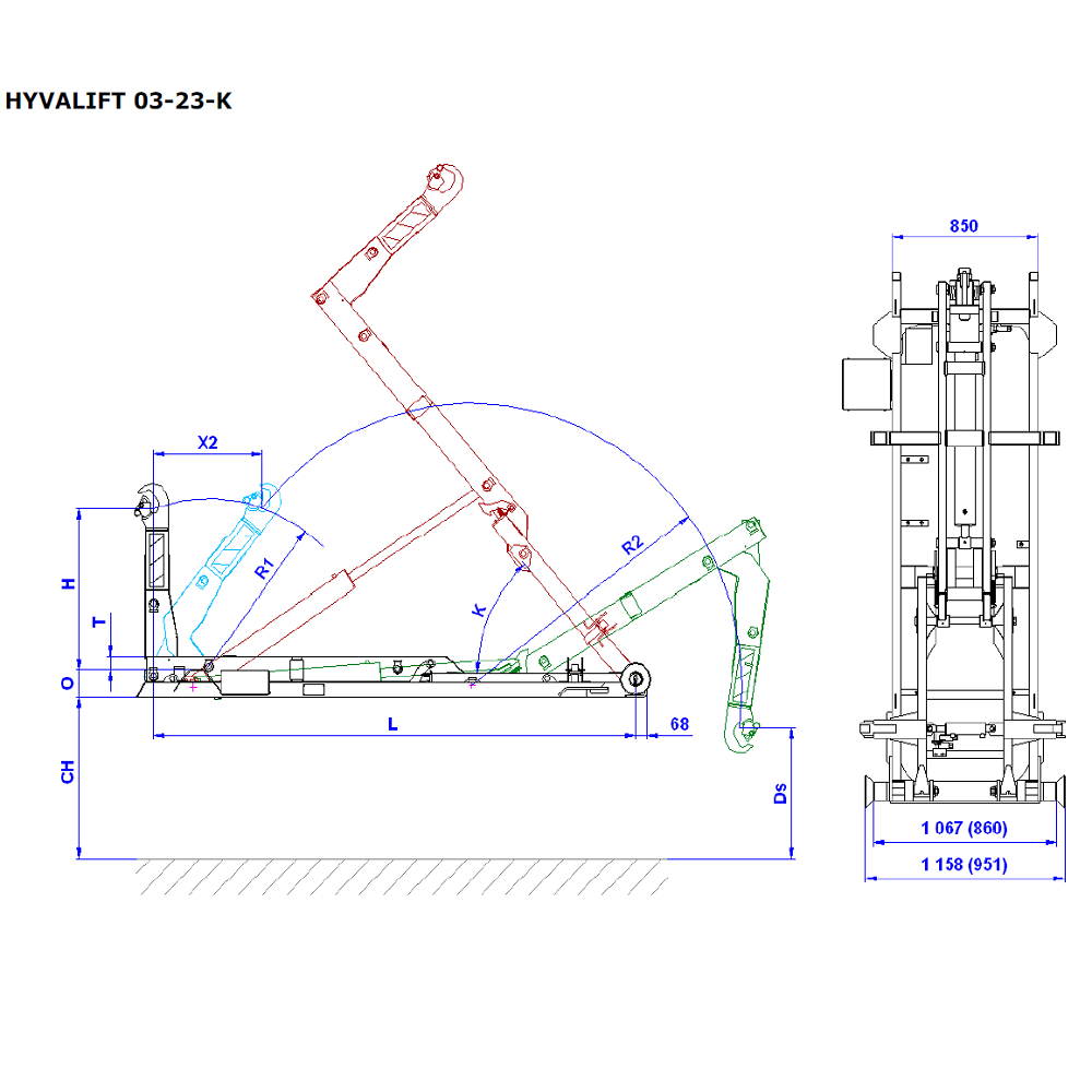
Specyfikacja standardowa dla długości 2300:

  • Udźwig nominalny: 3 tony
  • Maksymalne ciśnienie robocze: 30 MPa
  • Masa urządzenia zalanego olejem: 500 kg
  • MIN./MAX. Długość przewożonych pojemników: 2500/3000 mm
  • Wysokość haka: 900 mm
  • Standardowe sterowanie w kabinie: elektryczne
  • Standardowa blokada hydrauliczna kontenera: wewnętrzna
  • Jeden siłownik główny
  • Ramię główne łamane
  • Rozdzielacz hydrauliczny
  • Zbiornik oleju
  • Konstrukcja malowana farbą podkładową oraz nawierzchniowo w kol. RAL
  • Szerokość ramy zgodna z DIN

Szczegółowe informacje poniżej, w zakładce "Dane techniczne"