SKU: 14535243
Dane techniczne
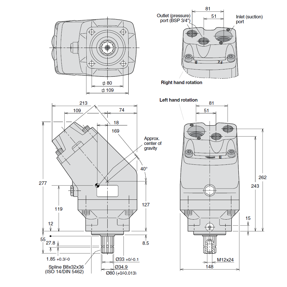
Pompy tłoczkowe dwustrumieniowe wykorzystywane są w układach hydraulicznych wymagających dwóch niezależnych strumieni oleju, pracujących pod wysokim ciśnieniem, często przekraczającym 250 bar: urządzenia hakowe, żurawie leśne, wciągarki ale i nie tylko. Pompa dwustrumieniowa umożliwia zastąpienie dwóch oddzielnych pomp jednostrumieniowych napędzanych z przystawki podwójnej.
Zalety pomp tłoczkowych dwustrumieniowych